Model | Description |
LX6V-8HC | 8-channel high speed input module |
Specification
Item | Digital Input | |
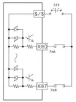
Input Circuit Composition |
|
NPN connection: S/S connect to 24V; PNP connection: S/S connect to 0V. Note: In the picture is NPN connection. |
Input Signal Voltage | DC24V±10% | |
Input Signal Current | 7mA/DC24V (The input current with standard 24V) | |
Input ON Current | 3.5mA above | |
Input OFF Current | Below 1.5mA | |
Input Response Time | Approx. 0.2ms for normal input and 5μs for high speed input | |
Input Signal Form | Contact input, support NPN, PNP input | |
Circuit Insulation | Transformer or optocoupler Isolation | |
Action Display | LED turn ON when trigger input signal | |
Function
Item | Description |
Counting Type | Normal input AB phase input (Support 1, 2, 4 times frequency) Pulse + direction input Signal phase input |
Counting Mode | Up/down counting Linear/rotation mode |
Counting Range | -2147483648 to 2147483647 |
Input Filter Range | Normal input: 0 to1700 (unit: 0.01μs) High speed input: 0 to 640 (unit: 0.1ms) |

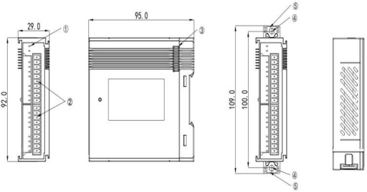
①I/O LED; ②I/O terminal; ③Expansion module interface; ④Installation hole: 2 (Φ4.5); ⑤DIN rail fastener