Type | Model | Description |
32 points IO extension module | LX6V-1616EXYT | 16-channel switch input, support NPN and PNP 16-channel transistor output, support NPN |
LX6V-1616EXYP | 16-channel switch input, support NPN and PNP 16-channel transistor output, support PNP | |
LX6V-32EYT | 32-channel transistor output, support NPN | |
LX6V-32EX | 32-channel transistor input, support NPN and NPN |
Specification
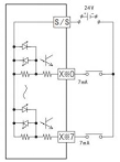
Item | Digital Input | |
Input Circuit Composition |
|
NPN connection: S/S connect to 24V; PNP connection: S/S connect to 0V. Note: In the picture is NPN connection. |
Input Signal Voltage | DC24V±10% | |
Input Signal Current | 7mA/DC24V (The input current with standard 24V) | |
Input ON Current | 3.5mA above | |
Input OFF Current | Below 1.5mA | |
Input Response Time | Approx. 0.2ms | |
Input Signal Form | Contact input, support NPN, PNP input. | |
Circuit Insulation | 16-point module: Transformer 32-point module: Transformer/optocoupler Isolation | |
Action Display | LED turn ON when trigger input signal | |
Item | Transistor Output | ||
Output Circuit Composition | | | |
NPN connection | PNP connection | ||
External Power Supply | DC 5 to 30V | ||
Circuit Insulation | Transformer isolation | ||
Action Display | LED turn ON when trigger output signal | ||
Maximum load | Resistance Load | 16-point module: 0.4A/point 32-point module: 0.25A/point, 8A/module | |
Inductive Load | 16-point module: DC24V 9.6W/point 32-point module: DC24V 6W/point | ||
Lamp Load | 16-point module: DC24V 0.9W/point 32-point module: DC24V 0.75W/point | ||
Open Circuit Leakage Current | 0.1mA/DC30V | ||
Minimum Load | -- | ||
Response Time | OFF → ON | Approx. 0.2ms | |
ON → OFF | Approx. 0.2ms | ||
LX6V-16EYP-3A
Item | Transistor output |
Wiring | 2 group (8 outputs per group with dedicated power supply) Connect at lease 2 COM port when output current > 8A in one group |
Input Signal Voltage | DC24V |
Input Signal Current | 3A (50% simultaneity per group) |
Protection | Overload protection for every 4 Y points |
Action Display | LED turn ON when trigger input signal |
Circuit Insulation | Isolation between groups |
32 points IO extension module

①I/O LED; ②I/O terminal; ③Expansion module interface; ④Installation hole: 2 (Φ4.5); ⑤DIN rail fastener
