The heating industry is related to people's livelihood. Only by ensuring that the production equipment of heating enterprises can operate stably for a long time, can people's quality of life be guaranteed. The water pump is the main general equipment of heating enterprises, and many heating enterprises use imported inverters to control the water pump.
In recent years, domestic VFDs have sprung up, and they have replaced imported brands on many occasions. The operation is very stable. WECON is one of the brands. Every June, July and August are the peak periods for the installation and renovation of heating equipment in Northeast China. The VB series VFD and WECON PLC are used in the control of the circulating pump of a heating company in Shenyang, and have been fully recognized by users.
In this case, the VB VFD is used in conjunction with LX5V and PI3070ig to control the constant pressure of the circulating pump and monitor the operation data.
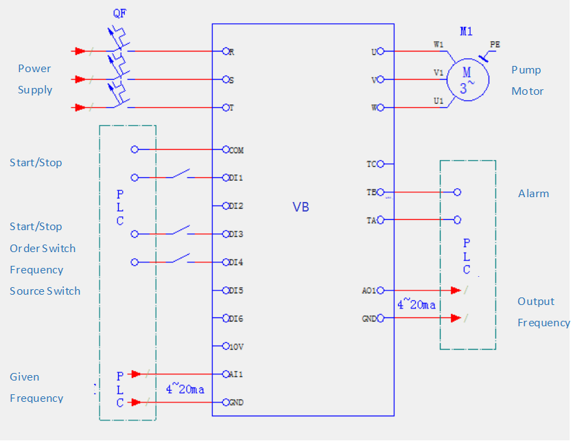
The control diagram is as follows

Specific control process:
1. The VFD drives the water pump to run in a one-to-one manner, and controls the speed of the pump through the change of the output frequency, so as to control the pressure in the pipeline.
2. The PLC detects the pressure in the pipeline through the sensor, and after PID operation, outputs the analog signal to the VFD to control the output frequency of the VFD to form a closed-loop control.
3. The PLC collects the output frequency of the VFD and the pressure in the pipeline, feeds it back to the touch screen, and displays it.
4. The control mode of the VFD is divided into automatic control and local control, and the PLC controls the multi-function terminals of the VFD to switch. That is, during local manual control, the pump can be started, stopped and speed-regulated through the VFD panel; during automatic control, the PLC can control the VFD to realize PID automatic adjustment.


| Parameter | Description | Set Value | Remarks |
| F0.01 | Start/Stop Order Source | 1 | DI Terminal |
| F0.03 | Main Frequency Source | 2 | AI1 (0-10V) |
| F0.04 | Auxiliary Frequency Source | 1 | Keypad Potentialmeter |
| F0.07 | Main and Auxiliary Frequency Source Option | 2 | Switch between F0.03 and F0.04 |
| F5.02 | DI3 Function | 20 | Switch Start/Stop Order Sources |
| F5.03 | DI4 Function | 18 | Switch Frequency Sources |
1. Using domestic brand WECON VB VFD + LX5V PLC + PI3070ig, compared with all imported brands, it greatly saves the customer's cost and improves the cost performance of the entire system.
2. Using the switching function of the VB multi-function terminal, it is simple to realize the switching of remote/local control, reducing the amount of PLC programs and saving design time.
3. Compared with the old product, the volume of VB is greatly reduced, saving the space of the control cabinet.
4. The startup mode of VB is stepless speed regulation mode, which reduces the impact of large current on the motor, reduces the failure rate of the entire system, and effectively protects the stable operation of the entire system.